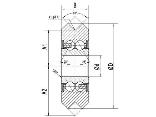
W সিরিজ লাইন ট্র্যাক রোলার বিয়ারিং
| চাকার নং | বোর মিমি | ও.ডি. মি | প্রস্থ মিমি | A1 | A2 | চেম্ফার r/মিনিট মিমি | লোড | ওজন | |
| সুনথাই | ডি1 | D | খ | A1 | A2 | আর/মিনিট | Cr(N) | Cor(N) | কেজি |
| W0 | 4 | 14.84 | 6.35 | 5.94 | 9.12 | 0.3 | 1 | 0.5 | 5 |
| W0X | 4 | 14.84 | 6.35 | 5.94 | 9.12 | 0.3 | 1 | 0.5 | 5 |
| W1 | 4.763 | 19.56 | 7.87 | 7.9 | 11.86 | 0.3 | 2.2 | 1 | 11 |
| W1X | 4.763 | 19.56 | 7.87 | 7.93 | 11.86 | 0.3 | 2.2 | 1 | 11 |
| W2 | 9.525 | 30.73 | 11.1 | 12.7 | 18.24 | 0.3 | 4.9 | 2.5 | 38 |
| W2X | 9.525 | 30.73 | 11.1 | 12.7 | 18.24 | 0.3 | 4.9 | 2.5 | 38 |
| W3 | 12 | 45.72 | 15.88 | 19.05 | 26.98 | 0.6 | 9.4 | 4.9 | 130 |
| W3X | 12 | 45.72 | 15.88 | 19.05 | 26.98 | 0.6 | 9.4 | 4.9 | 130 |
| W4 | 15 | 59.94 | 19.05 | 25.4 | 34.93 | 1 | 14.8 | 8.2 | 280 |
| W4X | 15 | 59.94 | 19.05 | 25.4 | 34.93 | 1 | 14.8 | 8.2 | 280 |
| W4XL | 22 | 75.39 | 25.4 | 31.75 | 44.45 | 1.1 | 20.6 | 14.3 | 580 |
| W4XXL | 22 | 75.39 | 25.4 | 31.75 | 44.45 | 1.1 | 20.6 | 14.3 | 580 |
| W1SSX | 4.763 | 19.56 | 7.87 | 7.93 | 11.86 | 0.3 | 2.2 | 1 | 11 |
| W2SSX | 9.525 | 30.73 | 11.1 | 12.7 | 18.24 | 0.3 | 4.9 | 2.5 | 38 |
| W3SSX | 12 | 45.72 | 15.88 | 19.05 | 26.98 | 0.6 | 9.4 | 4.9 | 130 |
| W4SSX | 15 | 59.94 | 19.05 | 25.4 | 34.93 | 1 | 14.8 | 8.2 | 280 |
শিল্প যন্ত্রপাতির দ্রুত-গতির বিশ্বে, দক্ষতা, স্থায়িত্ব এবং স্থান-সংরক্ষণের নকশার সন্ধান কখনই শেষ হয় না। প্রকৌশলী এবং রক্ষণাবেক্ষণ পরিচালকরা ক্রমাগত এমন উপাদানগুলির সন্ধান করছেন যা কম জায়গা নেওয়...
আরও পড়ুনশিল্প যন্ত্রপাতি, স্বয়ংক্রিয় উত্পাদন লাইন এবং ভারী সরঞ্জামগুলিতে, ট্র্যাক রোলার বিয়ারিংগুলি একটি গুরুত্বপূর্ণ ভূমিকা পালন করে। তারা ঘূর্ণায়মান উপাদানগুলির আন্দোলনকে সমর্থন করে এবং গাইড করে, সরঞ...
আরও পড়ুনভারী-শুল্ক যন্ত্রপাতিতে, বিয়ারিং নির্বাচন অত্যন্ত গুরুত্বপূর্ণ। তারা কেবল ঘূর্ণন এবং সমর্থনের কাজগুলিই সম্পাদন করে না তবে সরাসরি সরঞ্জামের স্থায়িত্ব, স্থায়িত্ব এবং অপারেটিং দক্ষতাকেও প্রভাবিত কর...
আরও পড়ুনডাবল সারি বল বিয়ারিং মোটর, যান্ত্রিক সরঞ্জাম, পাখা, স্বয়ংচালিত অংশ এবং অন্যান্য অ্যাপ্লিকেশনগুলিতে ব্যাপকভাবে ব্যবহৃত হয় কারণ তারা একই সাথে রেডিয়াল এবং দ্বিমুখী অক্ষীয় লোড সহ্য করতে পারে...
আরও পড়ুন W সিরিজ লিনিয়ার রোলার বিয়ারিং : নির্ভুলতা এবং দক্ষতার নিখুঁত সমন্বয়
নিংবো ওয়ানশুনের ডব্লিউ সিরিজের রৈখিক রোলার বিয়ারিংগুলি বিশেষভাবে উচ্চ নির্ভুলতা, উচ্চ লোড এবং দীর্ঘ জীবন রৈখিক গতির চাহিদা মেটাতে ডিজাইন করা হয়েছে। এই সিরিজের পণ্যগুলি উন্নত উপাদান বিজ্ঞান এবং উত্পাদন প্রক্রিয়াগুলিকে গ্রহণ করে যাতে বিয়ারিংগুলি বিশাল অক্ষীয় এবং রেডিয়াল লোড বহন করার সময় অত্যন্ত কম ঘর্ষণ সহগ এবং দুর্দান্ত গতি স্থিতিশীলতা বজায় রাখতে পারে। W সিরিজের রৈখিক রোলার বিয়ারিংগুলি কেবল কার্যকরভাবে যান্ত্রিক পরিধান কমাতে পারে না এবং সরঞ্জামের পরিষেবা জীবনকে প্রসারিত করতে পারে না, তবে গতির নির্ভুলতা এবং প্রতিক্রিয়া গতিকে উল্লেখযোগ্যভাবে উন্নত করতে পারে। তারা যথার্থ মেশিন টুলস, অটোমেশন সরঞ্জাম, শিল্প রোবট এবং অন্যান্য ক্ষেত্রের জন্য আদর্শ পছন্দ।
W সিরিজের রৈখিক রোলার বিয়ারিংয়ের গবেষণা ও উন্নয়ন প্রক্রিয়ায়, নিংবো ওয়ানশুন ক্রমাগত সাফল্যের সন্ধান করছে। কোম্পানির সিনিয়র ইঞ্জিনিয়ার এবং বৈজ্ঞানিক গবেষকদের সমন্বয়ে গঠিত একটি গবেষণা ও উন্নয়ন দল রয়েছে যারা সাম্প্রতিক আন্তর্জাতিক প্রযুক্তিগত প্রবণতাগুলিকে ঘনিষ্ঠভাবে অনুসরণ করে এবং বাজারের চাহিদা অনুযায়ী ক্রমাগত উদ্ভাবনী পণ্য ডিজাইনগুলিকে অপ্টিমাইজ করে। Ningbo Wanshun উন্নত উপাদান ফর্মুলেশন, তাপ চিকিত্সা প্রক্রিয়া এবং নির্ভুল মেশিনিং প্রযুক্তি গ্রহণ করে পরিধান প্রতিরোধের, লোড ক্ষমতা এবং পরিষেবা জীবনের পরিপ্রেক্ষিতে ঐতিহ্যগত লিনিয়ার রোলার বিয়ারিংগুলির বাধা সমস্যা সফলভাবে সমাধান করেছে, যার ফলে W সিরিজের লিনিয়ার রোলার বিয়ারিংগুলি একটি গুণগত উল্লম্ফন অর্জন করেছে। কর্মক্ষমতা
গুণমান হল নিংবো ওয়ানশুনের লাইফলাইন। W সিরিজের রৈখিক রোলার বিয়ারিংয়ের উত্পাদন প্রক্রিয়াতে, কোম্পানি কঠোরভাবে ISO9001 মান ব্যবস্থাপনা সিস্টেমের মান অনুসরণ করে এবং কাঁচামাল সংগ্রহ, উত্পাদন এবং প্রক্রিয়াকরণ, সমাপ্ত পণ্য পরিদর্শন এবং অন্যান্য দিকগুলিতে সর্বাত্মক গুণমান নিয়ন্ত্রণ পরিচালনা করে। W সিরিজের লিনিয়ার রোলার বিয়ারিংয়ের প্রতিটি সেট শিল্পের মান পূরণ করতে পারে বা এমনকি অতিক্রম করতে পারে তা নিশ্চিত করার জন্য কোম্পানিটি উন্নত পরীক্ষার সরঞ্জাম এবং পণ্যের বিভিন্ন কর্মক্ষমতা সূচককে কঠোরভাবে নিয়ন্ত্রণ করার জন্য একটি পেশাদার পরীক্ষার দল দিয়ে সজ্জিত। মানের এই চূড়ান্ত অন্বেষণই নিংবো ওয়ানশুনের ডব্লিউ সিরিজের লিনিয়ার রোলার বিয়ারিংগুলিকে বাজারে একটি ভাল খ্যাতি এবং ব্যাপক আস্থা অর্জন করতে সক্ষম করেছে।
শিল্প অটোমেশন এবং বুদ্ধিমান উত্পাদনের দ্রুত বিকাশের সাথে, W সিরিজের লিনিয়ার রোলার বিয়ারিংয়ের বাজারের চাহিদা দিন দিন বাড়ছে। নিংবো ওয়ানশুনের ডব্লিউ সিরিজের রৈখিক রোলার বিয়ারিংগুলি তাদের চমৎকার কর্মক্ষমতা এবং নির্ভরযোগ্য মানের কারণে CNC মেশিন টুলস, স্বয়ংক্রিয় উত্পাদন লাইন, শিল্প রোবট, সেমিকন্ডাক্টর সরঞ্জাম, চিকিৎসা সরঞ্জাম এবং অন্যান্য ক্ষেত্রে ব্যাপকভাবে ব্যবহৃত হয়। এই উচ্চ-সম্পদ সরঞ্জামগুলির মধ্যে, W সিরিজের রৈখিক রোলার বিয়ারিংগুলি একটি গুরুত্বপূর্ণ ভূমিকা পালন করে, যা কেবলমাত্র সরঞ্জামগুলির সামগ্রিক কার্যকারিতা এবং নির্ভুলতা উন্নত করে না, বরং সংশ্লিষ্ট শিল্পগুলির রূপান্তর, আপগ্রেডিং এবং উচ্চ-মানের উন্নয়নকেও প্রচার করে৷